WACOGIKEN-直流伺服驅動總成-授權代理商
	

AGV防水馬達 DP-W系列
防塵,防水(IP56規范)帶車輪的AC伺服電機
	
 
濺水,擔心會被水弄濕、浸水的環境,即使有需要清洗的要求
也可以制作符合不同客戶獨特要求的AGV。
1.IP56對應(防塵,防水規格覆蓋全部件,線纜引出部分)
2.出力軸,螺栓,車輪金屬芯部采用不銹鋼材質,防銹優秀。
--請注意不可在水中使用。
	 
         
	 
	 
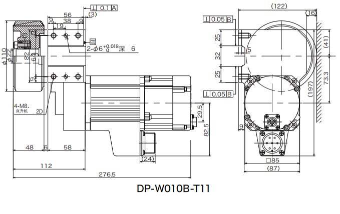
						式樣 
					
		
			
 
				 
		
	
					 
			
	
| 型號 | DP-W010B-T11 | DP-W020B-T15 | DP-W040B-T23 | |
| 車輪直徑〔mm〕 | Φ110 | Φ150 | Φ230 | |
| 減速比 | 1/15.2 | 1/16.6 | 1/18.2 | |
| 最高行駛速度〔m/min〕 | 68 | 71 | 60 | |
| 輸出扭矩〔N?m〕 | 5 | 15 | 34 | |
| 瞬時最大扭矩〔N?m〕 | 10.7 | 31.5 | 72 | |
| 車輪材質 | 聚醚系聚氨酯 | 聚醚系聚氨酯 | 聚醚系聚氨酯 | |
| 車輪硬度〔舊JIS〕 | 90 | 90 | 90 | |
| 額定輸出〔W〕 | 115 | 258 | 334 | |
| 額定電流〔Arms〕 | 7.6 | 17 | 21 | |
| 瞬時最大電流〔Arms〕 | 15.6 | 34 | 42 | |
| 電池電壓〔V〕 | 24 | 24 | 24 | |
| 耐負荷〔N〕 | 1764 | 2940 | 7350 | |
| 參考搬運重量※〔Kg〕 | 500 | 1000 | 2400 | |
| 產品質量〔Kg〕 | 約8 | 請聯系我們 | 請聯系我們 | |
| 組合驅動程序 | ABH3系列 | ABH3-0404 | ABH3-0606 | ABH3-0606 | 
| GPR2-B4系列 | GPR2-24B4 | GPR2-60B4 | GPR2-60B4 | |
※馬達2輪、被動輪(腳輪等)2輪的4輪構成均等負荷,假定混凝土之類的路面平地行駛。裝載物和臺車的總質量
| 外形尺寸 | 
	  
 
	